Single Pump Booster Sets
1GPEH 3-8 Domestic Pressure Booster Pump Set 230/1/50
Contact us for your tailor-made price
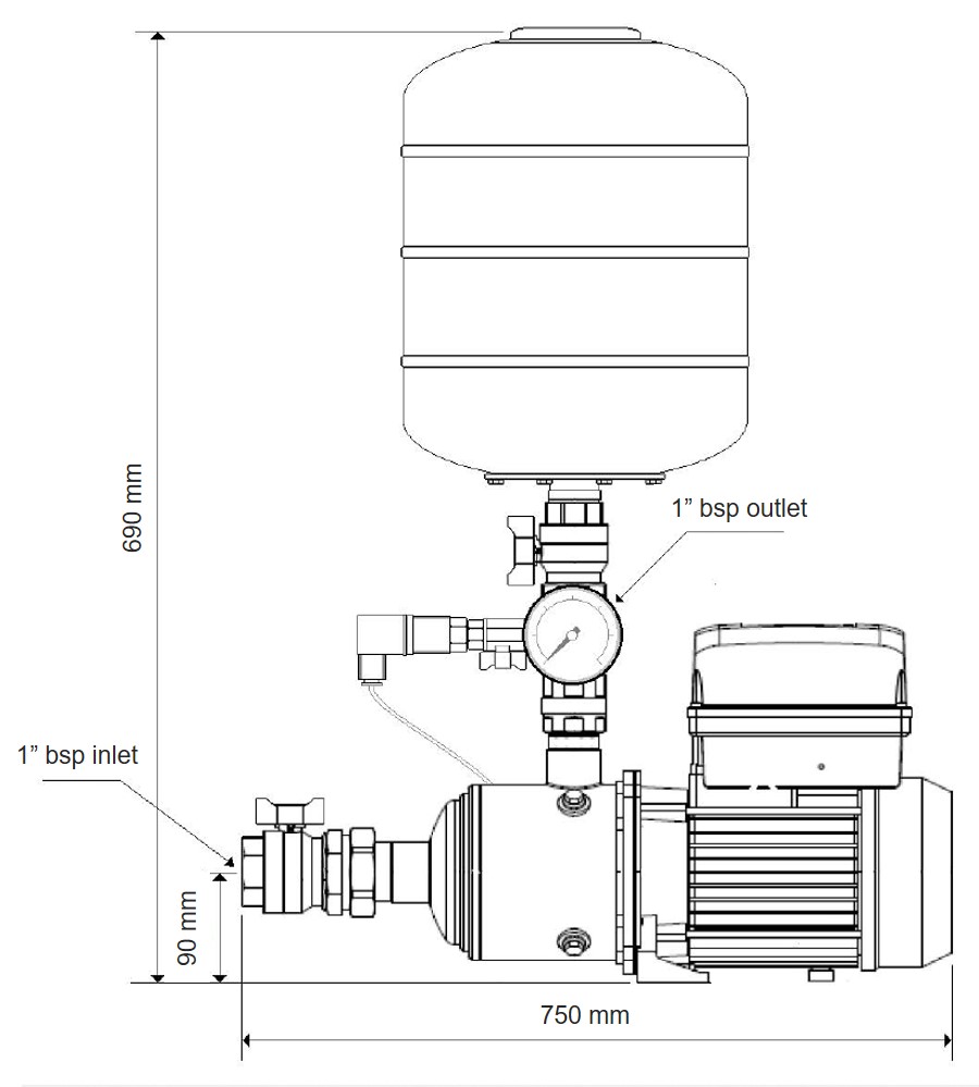
1GPEH 3-8 Single pump variable speed booster set incorporating WRAS approved stainless steel horizontal multi-stage pump fitted with 1,3kW 230/3/50 motor and complete with motor mounted intelligent variable speed drive & pressure transducer, 8 litre pressure vessel, pressure gauge, isolating valves for suction & delivery and non return valve fitted to delivery. Pipe connections: 1″ bsp(f)
Sizing Information:
- The 1GPEH 3-8 set is designed to supply a constant discharge pressure of 4.5 bar for a property with the typical following outlets:
- Up to 3 main bathrooms comprising bath, wash hand basin & WC
- Up to 3 En Suites comprising shower, wash hand basin & WC
- Kitchen with sink, washing machine & dishwasher.
- Calculated simultaneous water demand: 60 litres per min.
Features:
• 304 Stainless steel WRAS approved pumps.
• BMS Volt Free Contacts
• Dry run protection
• Brass nickel plated WRAS approved ball valves
• Union fittings on suction and discharge for easy disassemble
• 8 litre WRAS approved pressure vessel
• All wired, tested and programmed prior dispatch







